
A new aerogel, similar to a sponge, is capable of turning seawater into drinking water, using only sunlight.
The state -of -the -art material, the inventors say, promises to be a sustainable and accessible alternative to traditional methods of desalinationwhich currently require large amounts of energy.
The discovery, at ACS Energy Letters on July 2, describes a three -dimensional structure printed with vertical microscopic channels that maximize water evaporation, even in larger formats.
During tests performed outdoors, the Sponge managed to produce drinking water within hourswithout resorting to electricity or complex infrastructures, advances the.
Much of the earth’s water is in the oceans, but its high salinity makes it unfit for consumption. The current desalination centrals are effective, but too demanding, energetically.
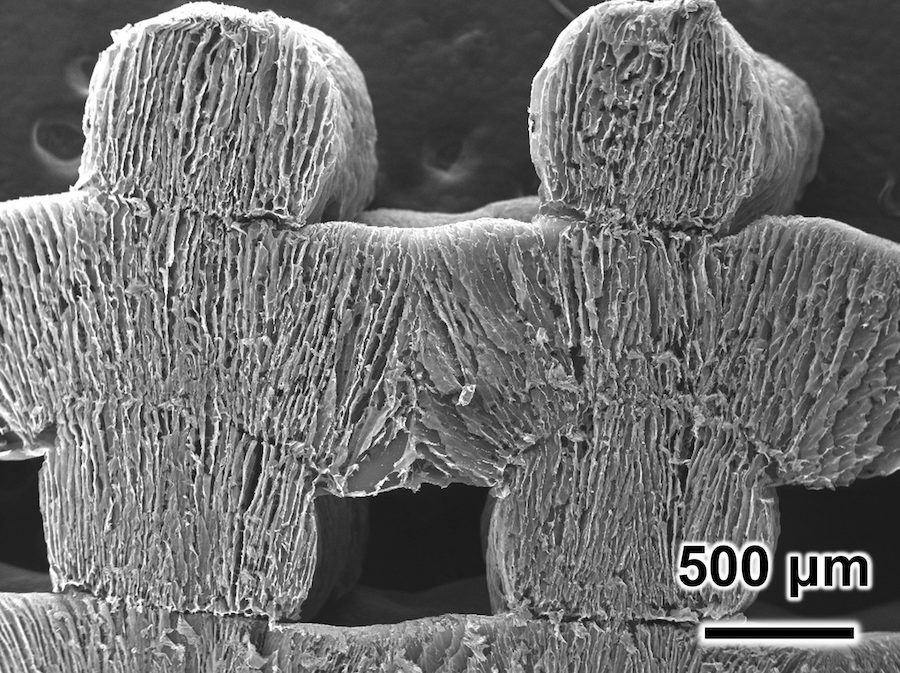
But this new aerogel, consisting of carbon nanotubes and cellulose nanofibers, is printed 3D on a frozen surface, creating a solid structure with uniformly distributed vertical pores, with about 20 micromers in diameter.
The sponge has been tested in different sizes – from 1 centimeter to 8 centimeters wide – and has shown to maintain the same efficiency in water evaporation regardless of scale.
In a practical test, the investigators placed the sponge in a sea water container and covered it with a transparent plastic lid. Sunlight warmed the top of the material, Making the water only evaporate, leaving the salt behind.
The steam condensed on the lid, ran down the edges and was collected in a funnel, resulting in about three tablespoons of drinking water after six hours of sun exposure.